... wohin mit dem Müll?

Projekt:

Müll-Wegweiser

Bilder zum Vergrößern anklicken
An der Mittelschule Krötensee in 92237 Sulzbach-Rosenberg existiert schon seit einigen Jahren eine sog. "Arbeitsgemeinschaft Umwelterziehung/Umwelttechnik". Diese AG ist mit Schülerinnen und Schülern der Regel- und M-Klassen 7, 8, 9 und 10 jahrgangsübergreifend besetzt. Die Gruppe hat es sich zur Aufgabe gemacht, die übrigen Mitschüler für den Umweltschutz zu sensibilisieren und sie ggf. bei entsprechenden Vorhaben zu unterstützen.
 
Allgemeines
Größere Projekte der Vergangenheit waren u. a. der gemeinsame Aufbau einer 1-kW-Photovoltaik-Anlage im Rahmen des Projekts "Sonne in der Schule", die Konstruktion einer Kompostierungs-Anlage, Pflanzaktionen, die Gestaltung eines Klanggartens bei der Neugestaltung des Pausenhofes, der Aufbau einer Biotop-Arche anläßlich der Landesgartenschau 1996 in Amberg, als Serienproduktion die Herstellung von Behausungen für Ohrwürmer ("Schlafsack für den Ohrwurm") zum natürlichen Insektenschutz, die Konstruktion eines Windmessers, der Bau von Nistkästen für gefährdete Fledermäuse, eine Aktion gegen Dosen oder die Pflege eines Biotops am Rande des Schulgeländes. Im Rahmen der Umwelterziehung finden immer wieder Aktionen statt:

 

1kW-Solaranlage
1kW-Solaranlage
1kW-Solaranlage
1kW-Solaranlage
Einweihung 1996
Kompostierung
Ernte (1)
Ernte (2)
Pflanzaktion
Biotop-Pflege
Bau von Nistkästen
Landesgartenschau 1996
"Ohrwurm-Schlafsack"
"Ohrwurm-Schlafsack"
... fertig!
gegen Dosen !
Sammelaktion
Solardusche
Gewächshaus
Windmesser
Umweltbelange und Technik lassen sich im Unterricht auf ideale Weise kombinieren. Mit der Umweltthematik ist den Schulen eine besondere Aufgabe in allen (!) Fächern zuteil geworden. Für das geplante Projekt "Müllwegweiser" bietet sich demnach eine Projektarbeit besonders der Technik, Physik/Chemie/Biologie (PCB), Umwelterziehung und Kunsterziehung an, wobei hier der Technik-Bereich federführend wirken kann. Weitere Fächer können nach Bedarf hinzugezogen werden.
 
Grundsätzliche Überlegungen zur Müllentsorgung

Die Schüler erarbeiten fächerübergreifend gemäß Lehrplanthema "Umwelterziehung" die Entsorgungsverhältnisse in der Schule bzw. in der Gemeinde. Absicht des hier vorgestellten Projektes ist es, Verständnis für die Abfall- bzw. Mülltrennung zu wecken.

Hintergedanke dieser Thematik sollte aber auch sein, dass Abfall, z. B. Getränkedosen, die von zuhause mitgebracht werden, dorthin auch wieder mitgenommen werden, um im entsprechenden Container im Wohnbereich entsorgt und nicht in der Schule als zusätzlicher Müll zurückgelassen werden. Hier bietet sich der Transfer zu den Entsorgungsverhältnissen in der jeweiligen Stadt bzw. Gemeinde an.

 

Beschreibung

Auf Knopfdruck wird dem Interessierten die Information gegeben, wo er den Abfall bzw. den Müll nach den neuesten Richtlinien der jeweiligen Gemeinde entsorgen kann. Natürlich bietet auch die eigene Schule Entsorgungsmöglichkeiten, die in der Übersicht explizit für den Schulbereich gemeint sind. Wird z. B. der Taster PAPIER gedrückt, wird der Schüler auf die Entsorgungsmöglichkeit in den dafür vorgesehenen Behältern im Klassenzimmer hingewiesen.

 

 

... wohin gehört dies, wohin kommt das?
 

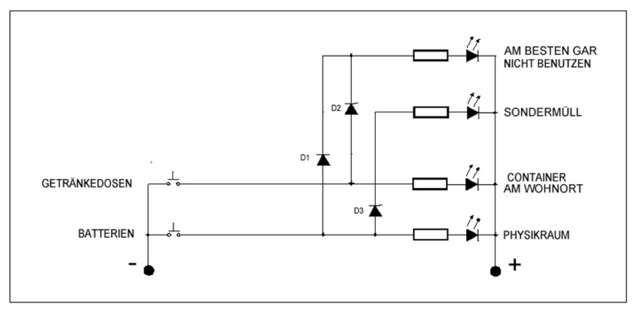
Betätigt man z. B. den Taster GETRÄNKEDOSEN, leuchtet ein grünes Signal bei CONTAINER IM WOHNBEREICH auf, d. h. Dosen sollten besser wieder mitgenommen und zuhause im dafür vorgesehenen Container entsorgt werden. Wird beispielsweise die Taste BATTERIEN betätigt, leuchtet als Entsorgungsmöglichkeit PHYSIKRAUM und als zusätzliche Information eine rote Leuchtdiode "AM BESTEN GAR NICHT BENUTZEN (Akkus wären nämlich umweltfreundlicher...). Diese zusätzliche Information mittels roter Leuchtdiode wird auch beim Taster GETRÄNKEDOSEN ausgegeben, denn Dosen sind ja auch nicht gerade umweltfreundlich und sollten vermieden werden.

 

 
Das zusätzliche Aufleuchten einer roten Leuchtdiode (sinngemäß für Vorsicht: Gefahr!) ist mit einer sog. Diodenmatrix zu verwirklichen:
... das Prinzip
Prinzip der Diodenmatrix
Gesamtschaltplan
 
Diese AG "Umwelttechnik" würde ihren Namen nicht verdienen, wenn der Müllwegweiser nicht mit alternativer Energie betrieben werden würde. Deshalb versorgt die Anlage eine kleine Solarzelle auf dem Schuldach und lädt zugleich die Akkus, die als Stromversorgung erforderlich sind. Aus Gründen der Energieersparnis kommen keine Lämpchen, sondern großformatige, jedoch stromsparende 8mm-Leuchtdioden zur Anwendung.

 

 
Schnappschüsse aus der Fertigung:
 
 
Umsetzung in die Praxis

Für den Wegweiser ist ein zentraler Platz in der Aula zu empfehlen. Jedoch ist darauf zu achten, dass die Örtlichkeit so gewählt wird, dass sich die Spannungsverluste im Zuführungskabel von der Solarzelle in Grenzen halten. Experimentiell untersuchte die Gruppe Kabel mit unterschiedlichen Leitungsquerschnitten auf deren Spannungsabfall hin (fächerübergreifend PCB: Ohm'sches Gesetz).

 
Schaltplan der Solarstromversorgung
(fast) fertig !
 

Um die Anlage für den allg. Unterricht und für Besucher transparent zu machen und dies auch optisch gut darzustellen, werden Schaltungstechnik und die Vorgänge in der Anlage anschaulich dargestellt:

Überdimensional ist der Prinzipschaltplan der Anlage auf die Front gezeichnet (fächerübergreifend Techn. Zeichnen: Schaltzeichen) und direkt in diesen Schaltplan sind 2 Messinstrumente an die entsprechende Stelle im Schaltplan platziert (fächerübergreifend PCB, GtB: Messen von Strom und Spannung). Damit ist es möglich, den Ladestrom, der gerne auch als "Sonnenstrom" bezeichnet wird, bzw. den Ladezustand der Akkus zu überwachen.

Startseite
zurück